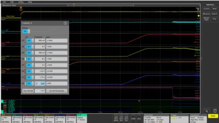
8通道示波器让电源排序检验变得更轻松
2017-07-27
中国电源产业网
导语:







来源:
标签:
相关信息
MORE >>-
海德新能源科技—全链赋能·共赢蓝海
在“双碳”战略纵深推进与新能源汽车爆发式增长的双重浪潮下,充电桩产业已成为万亿级黄金赛道,市场需求持续井喷、发展前景无可限量。深圳市海德新能源科技有限公司,作为深耕充电领域多年的国家级高新技术企业,凭借源头工厂实力、全链条服务能力与开放共赢理念,现面向全国广发英雄帖,诚邀各类资源伙伴携手,共拓新能源充电蓝海,轻松共享时代红利!
-
全线网统一管控·智慧化主动运维 | 科华智慧城轨电源管理方案赋能福州地铁!
科华数据打造地铁电源线网级智能监控平台,从操作系统、数据库到监控软件,构建全链条国产化技术平台,实现核心技术自主掌控,打造坚实可靠的安全底座。置身“十五五”规划谋篇布局之期,交通强国战略纵深推进。我国明确提出加快交通基础设施数字化、智能化升级。智慧城轨建设更是驶入了快车道。
-
让“瓦特”变“比特”,算电协同如何重塑数据中心能源底座
骏森明作为华为数字能源钻石级合作伙伴,在算电协同领域已深耕多年,围绕“源网荷储算”一体化方向,形成从绿电接入、储能配置到算力调度、智能运维的全链路能力。
-
精效科技以硬核技术,解锁污水治理全流程节能新范式
精效悬浮(苏州)科技有限公司,始终坚持核心技术自主可控,持续突破悬浮流体装备的技术壁垒,以国产化的高端产品与全周期服务,为污水处理行业客户提供定制化的节能解决方案。
-
ESPEC条码操作系统:聚焦测试要素的快速记录与完整追溯,防止过程遗漏,确保程序设错问题始终有据可查
爱斯佩克成立于1947年,近70年来一直致力于环境可靠性试验仪器的研发、制造和销售,并在世界范围内铸就了品质卓越、技术精良的品牌形象。
-
集装箱式SST直流移动智算中心
3月28日,台达、汉腾科技与龙芯中科联合宣布重磅发布集装箱式 SST(固态变压器)直流移动智算中心,发布活动于台达吴江制造基地举行。这款全新方案以台达 SST 固态变压器为核心能源支撑,深度集成CPU、AI 加速卡与服务器硬件,打造出从电网到芯片的全栈算力基础设施解决方案。




中国电源产业网网友交流群:2223934、7921477、9640496、11647415