电动汽车交流充电系统分析
2026-02-20
中国电源产业网
导语:电动汽车交流充电系统分析,请了解。
慢充架构

交流慢充流程

车载充电机工作流程
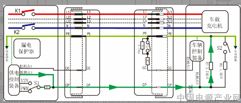
1、交流供电
2、低压辅助上电唤醒整车控制系统
3、BMS检测充电需求
4、BMS给车载充电机发送工作指令并闭合继电器
5、车载充电机开始工作,进行充电
6、电池检测充电完成后,给车载充电机发送停指令
7、车载充电机停止工作
8、电池断开继电器
充电桩的功能:
固定在纯电动汽车外,与交流电网连接,为纯电动汽车车载充电机提供交流电源的装置。
特点:只负责电力提供,没有给动力电池充电的能力。

充电桩由桩体、电气模块、计量模块等部分组成。桩体包括外壳和人机交互界面;电气模块包括接触器、控制引导电路、充电插座、电缆转接端子排、安全防护装置等。
交流电桩内部结构如下:
主回路包含输入保护断路器、交流智能电表、交流控制接触器和充电接口连接器。
主回路负责过载、保护、漏电等功能。二次回路由控制继电器、急停开关、运行状态指示灯、充电智能控制器、人机交互设备组成。
二次回路提供启停、急停操作。

依据GB27930-2015规定:新能源电动车充电的过程可以分为6个阶段。

充电枪锁止开关
打开充电盖时,充电口控制单元被激活

连接顺序
1、先连接车,后连接桩
2、线连接桩,后连接车



充电桩端连接完毕,车辆端充电枪连接CC, CP端子接触,检测点3会检测到与接地之间的电阻为RC+R4的阻值时,判断为充电枪为半连接状态。

充电桩端连接完毕,车辆端充电枪连接CC ,CP端子接触,检测点1的电压由12V变为9V,充电桩检测到充电枪已连接。

充电桩端连接完毕,车辆端充电枪连接CC ,CP端子接触,检测点1的电压由12V变为9V后,充电桩检测到充电枪已连接,充电桩的S1开关切换到12V PWM波信号端,检测点1的信号由9V直流电压信号变为9V PWM波信号,表示充电设备进入准备就绪状态。

车辆端充电枪连接完毕,S3开关(车端充电枪解锁按键弹起)闭合。

检测点3检测到与接地之间的电阻为RC的阻值时,判断为充电枪为连接状态。

车辆检测充电枪为连接状态后,充电机会根据动力电池有无充电需求、动力电池是否有不能充电的故障做出相应处理,充电机无故障时,充电机会闭合S2继电器,表示车辆准备就绪,请求充电。

充电机闭合S2继电器,充电桩端检测点1会从9V PWM波信号变为6V PWM波信号,充电桩检测到该信号确认车辆准备就绪,准备充电。(来源:充能技术栈)
编辑:中国电源产业网
来源:
标签:
相关信息
MORE >>-
大突然!雷军宣布停产,一代神车没了
小年夜的直播里,最后一辆橄榄绿色的初代SU7驶下生产线。没有冗长的告别,雷军只有一句干脆的宣布:初代SU7,正式停产。
-
新能源重卡“大电量化”决战:解放、重汽、陕汽、福田传统巨头发力
当充电式重卡占比突破67%,当500度以上超大电量车型销量暴涨1149%,当牵引车新能源渗透率逼近40%,新能源重卡似乎在悄悄地迎接着一场市场格局的变化
-
1亿次换电“解锁”产业密码!李斌兑现承诺:首季盈利12年终于熬到临界点
2月5日,蔚来宣布蔚来换电即将突破1亿次大关;同一天晚间,蔚来在港交所公告,预计2025年第四季度录得经调整经营利润7亿元至12亿元。这是蔚来自2014年成立以来的第一次,12年了,蔚来终于摸到了盈利的临界点。
-
新能源汽车2026前瞻,“量变”到“质变”的分水岭
过去数年的电动化“规模竞赛”已告一段落,2025年的全方位竞争,从智能化技术的落地速度,到全球化运营的扎根深度,再到供应链与盈利模式的健康度,实则为下一阶段铺设了基石。
-
L3、L4齐发,北汽新能源猛攻自动驾驶商业化
1月10日,在北汽新能源智慧出行科技日上,L3版北汽极狐阿尔法S正式开启规模化上路通行试点运营,这是中国自动驾驶产业加快迈入规模化商业落地阶段的重要标志。
-
两轮电动车研究:新国标推动智能化普及,AI智能体开始上车
《2025-2026年两轮车智能化及产业链研究报告》聚焦两轮车的智能化升级,对电动两轮车、摩托车的市场规模、竞争格局、产品智能化功能特点、厂商智能化策略、发展趋势等进行了分析研究。




中国电源产业网网友交流群:2223934、7921477、9640496、11647415